電子閱讀器作為紙質圖書的替代品,在世界受到無數人的喜愛。小巧,輕便,不傷眼,丟棄書籍的重量,留下同樣的質量,便是電子閱讀器產品的代名詞。

在電子閱讀器中,同樣會使用到電感器產品,今天,谷景電子就以QQ閱讀器內部電路為例,來看看,哪些模塊需要使用到電感器產品。
首先,在wifi模塊旁,我們能夠很明顯的發現,有一款貼片功率電感器。
雖然這款貼片功率電感并沒有印字,但是,所使用的wifi模塊為AP6181,根據模塊配套電路,我們能夠了解到,這款wifi模塊電路中配套的貼片功率電感器參數為:3.3uH,800mA

這款對應的電感器產品,谷景電子有:GNR3010MT3R,電感尺寸:3.0±0.2*3.0±0.2*1.2,電感量:3.3uH±20%,額定電流量:960mA,電阻值:140mΩ
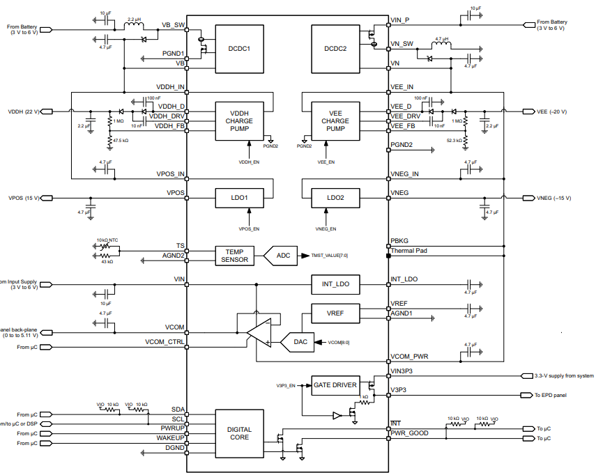
其次, 我們將視線轉移到閱讀器電路中,專門為E ink屏幕顯示設計的IC芯片,TI TPS65185,在這塊芯片的附近,我們也同樣能夠看見兩款沒有印字的貼片功率電感器。
同理,根據芯片尋找對應的配套電感器,一款為2.2uH,另外一款為4.7uH。兩款貼片電感器都是使用在dc-dc電路之中。
谷景對應推薦貼片功率電感器:GCN1812MT2R2,電感尺寸:3.5*3.0*3.5±0.2,電感量:2.2uH±20%,額定電流量:2.25A,電阻值:108mΩ。
GCN1812MT4R7,電感尺寸:3.5*3.0*3.5±0.2,電感量:4.7uH±20%,額定電流量:1.6A,電阻值:182mΩ。
最后,來看看充電電路芯片附近的電感,IC芯片為:ETA6003。這款ic芯片處,同樣用到一款貼片繞線電感器。
在芯片對應的規格書中,我們能夠了解到,這款電感器對應的是2.2uH,電流:2.5A。
這款電感,谷景電子同樣推薦一款貼片繞線電感器作為備選:
貼片功率電感器GCD53MT2R2,尺寸為:5.2*5.8*3.8、電感量:2.2uH,額定電流量:2.85A,電阻值:25mΩ(Max)。
蘇州谷景電子有限公司,專注于設計、研發、銷售高品質功率繞線電感,高頻電感,鐵氧體電感以及相關安規器件電感,并提供完善的技術服務與專業的解決方案。
編:Bouquet













以質量求生存,以信譽求發展,滿足合同規定及潛在需求!

全國咨詢熱線
0512-66715887